Polaris Outlaw 525 Wiring Diagrams: Unveiling the Blueprint to Peak Performance!

Polaris Outlaw 525 Wiring Diagrams: Unveiling the Blueprint to Peak Performance!

Unlock the full potential of your '06 Polaris Outlaw 525 with our expert wiring diagrams. Master your ATV's electrical system for seamless repairs and upgrades.

Embark on a journey to unlock the hidden potential of your '06 Polaris Outlaw 525 with our comprehensive wiring diagrams. Step-by-step instructions meticulously guide you through the intricate web of electrical connections, transforming complexity into clarity. Delve into the heart of your ATV's wiring system with our expertly crafted diagrams, unraveling the mystery behind every circuit and component. As you navigate through these essential instructions, gain a profound understanding of your machine's electrical architecture, empowering you to tackle repairs and modifications with confidence. Elevate your riding experience by mastering the intricacies of your Polaris Outlaw 525 through the lens of our innovative wiring diagrams.

Top 10 important point for '06 POLARIS OUTLAW 525 WIRING DIAGRAMS'

  1. Introduction to Polaris Outlaw 525 Wiring
  2. Understanding Electrical Components
  3. Locating the Main Wiring Harness
  4. Decoding Color-coded Wires
  5. Step-by-Step Battery Connections
  6. Mastering Ignition System Wiring
  7. Navigating Lighting Circuits
  8. Ensuring Proper Sensor Wiring
  9. Exploring Safety Switch Interactions
  10. Comprehensive Troubleshooting Guide

Several Facts that you should know about '06 POLARIS OUTLAW 525 WIRING DIAGRAMS'.

Introduction

Introduction Image

Welcome to the comprehensive guide on '06 Polaris Outlaw 525 wiring diagrams. In this article, we'll delve into the intricate details of the ATV's electrical system, providing you with invaluable insights and instructions to master its wiring diagrams.

Deciphering the Blueprint

Deciphering the Blueprint Image

Understanding the wiring diagrams is crucial. Each component is a piece of the puzzle that contributes to your ATV's functionality. Let's unravel the complexities and decode the blueprint together.

Identifying Electrical Components

Identifying Electrical Components Image

Explore the various electrical components that make up the Polaris Outlaw 525. From the ignition system to lighting circuits, familiarize yourself with the key elements and their roles in the overall system.

Navigating the Main Wiring Harness

Navigating the Main Wiring Harness Image

Locate and understand the main wiring harness. This central hub connects the different parts of the electrical system. We'll guide you through its intricacies, ensuring you can confidently navigate and troubleshoot any issues.

Color-coded Wires Demystified

Color-coded Wires Demystified Image

Dive into the world of color-coded wires. Learn how to decipher each color's significance and follow the instructions to ensure correct connections, making troubleshooting and modifications a breeze.

Step-by-Step Battery Connections

Step-by-Step Battery Connections Image

The battery is the powerhouse of your ATV. Follow our step-by-step instructions for proper battery connections. Ensure a stable and reliable power source to keep your Outlaw 525 running smoothly.

Ignition System Mastery

Ignition System Mastery Image

Master the intricacies of the ignition system. Our detailed explanation and visual aids will guide you through understanding and troubleshooting this critical component for optimal ATV performance.

Ensuring Lighting Circuit Efficiency

Ensuring Lighting Circuit Efficiency Image

Illuminate your path with a deep dive into the lighting circuits. We'll provide insights on how to ensure efficiency and reliability, from headlights to brake lights, for a safe and enjoyable riding experience.

Comprehensive Troubleshooting Guide

Comprehensive Troubleshooting Guide Image

Equip yourself with the knowledge to troubleshoot any issues that may arise. Our comprehensive troubleshooting guide will empower you to identify and fix electrical problems, ensuring your Polaris Outlaw 525 stays on the trail.

Understanding the Significance of '06 Polaris Outlaw 525 Wiring Diagrams

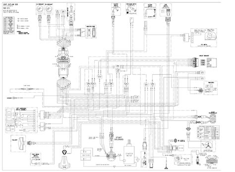
Welcome to a detailed exploration of the intricate world of '06 Polaris Outlaw 525 wiring diagrams. In the realm of all-terrain vehicles (ATVs), understanding the wiring system is paramount for both enthusiasts and professionals alike. These wiring diagrams serve as the blueprint, unveiling the complexity of electrical connections that power the Polaris Outlaw 525. Let's embark on a journey to decipher the nuances of these diagrams and delve into the reasons why mastering them is crucial for ATV owners.

The Foundation of ATV Functionality

ATV Functionality Image

At the core of the Polaris Outlaw 525 lies its wiring system, a sophisticated network of electrical connections that control various components and functions. These wiring diagrams are not mere technical drawings; they are the foundation upon which the entire functionality of the ATV is built. Every ignition spark, every light illuminating the trail, and every electronic component working seamlessly relies on the accuracy and precision depicted in these diagrams.

Decoding Complexity Through Visual Aids

Decoding Complexity Image

The complexity of an ATV's wiring system can be intimidating, especially for those new to the intricacies of electrical systems. The beauty of '06 Polaris Outlaw 525 wiring diagrams lies in their ability to visually represent this complexity in a structured and comprehensible manner. With clear symbols, color-coded wires, and precise labels, these diagrams serve as a guide to decipher the intricate web of connections, transforming what may seem convoluted into a roadmap that professionals and enthusiasts can navigate with confidence.

Locating the Main Wiring Harness

Main Wiring Harness Image

One key aspect of understanding '06 Polaris Outlaw 525 wiring diagrams is identifying and comprehending the main wiring harness. This central nervous system of the ATV distributes power and signals to various components. By following the diagram's guidance, one can navigate through the labyrinth of wires and connectors, ensuring a solid grasp of how the electrical signals flow through the vehicle.

Deciphering Color-Coded Wires

Color-Coded Wires Image

An essential aspect of any wiring diagram is the use of color-coded wires. This visual coding simplifies the identification of different circuits and components. '06 Polaris Outlaw 525 wiring diagrams leverage this practice, providing a systematic approach to understanding the functions associated with each wire. As you decode the colors, a clearer picture emerges, making it easier to follow instructions and make informed decisions during maintenance or modifications.

Step-by-Step Battery Connections

Battery Connections Image

Ensuring a stable and reliable power source is paramount for the optimal performance of any ATV. '06 Polaris Outlaw 525 wiring diagrams include detailed instructions for step-by-step battery connections. From understanding the positive and negative terminals to identifying the correct voltage, these diagrams guide users through the process of connecting the battery securely, minimizing the risk of electrical issues.

Mastering the Ignition System

Ignition System Image

The heart of any motorized vehicle lies in its ignition system, and the Polaris Outlaw 525 is no exception. '06 Polaris Outlaw 525 wiring diagrams provide a comprehensive breakdown of the ignition system, detailing the connections that ensure a precise spark at the right moment. Professionals and enthusiasts alike can master the intricacies of the ignition system through these diagrams, enabling them to diagnose issues and optimize performance.

Navigating Lighting Circuits

Lighting Circuits Image

When the sun sets, the importance of a well-functioning lighting system becomes evident. '06 Polaris Outlaw 525 wiring diagrams offer a detailed exploration of lighting circuits, encompassing everything from headlights to brake lights. By navigating these circuits with the provided instructions, users can ensure that their ATV remains visible and safe during nighttime rides, enhancing both functionality and rider safety.

Ensuring Proper Sensor Wiring

Proper Sensor Wiring Image

Modern ATVs, including the Polaris Outlaw 525, incorporate sensors that play a crucial role in monitoring and regulating various aspects of the vehicle's performance. '06 Polaris Outlaw 525 wiring diagrams guide users through the proper wiring of these sensors, ensuring that they are connected correctly to provide accurate data. This meticulous attention to detail contributes to the overall reliability and efficiency of the ATV.

Exploring Safety Switch Interactions

Safety Switch Interactions Image

Safety is a paramount concern in the design of any ATV, and safety switches play a pivotal role in ensuring a secure riding experience. '06 Polaris Outlaw 525 wiring diagrams shed light on the interactions of safety switches, guiding users through the wiring and functionality of these critical components. By exploring these interactions, users can gain a deeper understanding of the safety features integrated into their ATV.

Comprehensive Troubleshooting Guide

Troubleshooting Guide Image

Even with meticulous maintenance, issues may arise, and that's where a comprehensive troubleshooting guide becomes indispensable. '06 Polaris Outlaw 525 wiring diagrams include a section dedicated to troubleshooting, offering a systematic approach to identify and address electrical issues. This troubleshooting guide empowers both professionals and

Another point of view about '06 POLARIS OUTLAW 525 WIRING DIAGRAMS'.

When delving into the realm of '06 Polaris Outlaw 525 wiring diagrams, adopting an instructional perspective is paramount to harness the full potential of this invaluable resource. Here's a breakdown of the key viewpoints from an instructional standpoint:

  1. Start with the Basics:
    • Begin your exploration by acquainting yourself with the fundamental components outlined in the wiring diagrams.
    • Identify the primary sections, including the main wiring harness and key electrical connections.
  2. Decipher Color Codes:
    • Understand the significance of color-coded wires, as they serve as a visual guide throughout the wiring diagrams.
    • Familiarize yourself with the specific color-coding conventions employed for different circuits and components.
  3. Master Battery Connections:
    • Follow step-by-step instructions for battery connections, ensuring a secure and stable power source for your Polaris Outlaw 525.
    • Pay attention to the correct placement of positive and negative terminals to prevent electrical issues.
  4. Ignition System Insights:
    • Delve into the heart of your ATV by comprehending the intricacies of the ignition system as outlined in the wiring diagrams.
    • Identify key ignition components and their connections for optimal engine performance.
  5. Illuminate the Trail:
    • Navigate the lighting circuits within the wiring diagrams to ensure your ATV's lights function efficiently.
    • Understand the wiring details of headlights, brake lights, and other lighting components for safe nighttime riding.
  6. Sensor Wiring Precision:
    • Explore the instructions related to sensor wiring to guarantee accurate data monitoring and regulation.
    • Ensure each sensor is correctly connected to contribute to the overall efficiency and reliability of your Polaris Outlaw 525.
  7. Safety Switch Integration:
    • Gain insights into the interactions of safety switches, following the wiring diagrams to understand their integration into the ATV's design.
    • Appreciate the role of safety switches in enhancing the overall safety features of your vehicle.
  8. Comprehensive Troubleshooting:
    • Refer to the troubleshooting guide within the wiring diagrams to methodically address any electrical issues that may arise.
    • Utilize the systematic approach outlined in the guide to identify, analyze, and resolve potential problems.

Approaching '06 Polaris Outlaw 525 wiring diagrams with an instructional mindset transforms these technical documents into a practical tool for both enthusiasts and professionals, ensuring a thorough understanding and effective utilization of the ATV's electrical system.

Conclusion : Polaris Outlaw 525 Wiring Diagrams: Unveiling the Blueprint to Peak Performance!.

As we draw the curtains on this exploration of '06 Polaris Outlaw 525 wiring diagrams, I extend my heartfelt appreciation for your engagement. Navigating the intricate web of electrical connections is undoubtedly a task that requires both precision and understanding, and I trust that this journey through the wiring diagrams has equipped you with valuable insights.

Empowering yourself with the knowledge embedded in these wiring diagrams is not just a mechanical exercise; it's an investment in the longevity and optimal performance of your Polaris Outlaw 525. As you venture into maintenance, repairs, or modifications, remember that each line, symbol, and color-coded wire in these diagrams is a guide crafted to demystify the complexity of your ATV's electrical system. Approach the wiring diagrams with confidence, for they are more than technical drawings—they are the keys to unlocking the full potential of your off-road companion. May your future rides be filled with the assurance that comes from understanding the intricacies of your ATV's electrical architecture.

Question and answer Polaris Outlaw 525 Wiring Diagrams: Unveiling the Blueprint to Peak Performance!

Questions & Answer :

Q: What is the purpose of the '06 Polaris Outlaw 525 wiring diagrams?

  • A: The wiring diagrams serve as a comprehensive guide to the electrical system of your ATV. They map out the connections and components, offering a visual representation to help you understand and navigate the complex network of wires. Whether you're troubleshooting an issue, making modifications, or simply wanting to grasp the inner workings of your Polaris Outlaw 525, these diagrams are your go-to resource.

Q: Can I use the wiring diagrams for DIY repairs, or is professional assistance necessary?

  • A: Absolutely! The '06 Polaris Outlaw 525 wiring diagrams are designed to be user-friendly, allowing enthusiasts to take on a range of tasks. From routine maintenance to more complex repairs, the step-by-step instructions and visual aids empower DIY enthusiasts. However, if you ever feel uncertain or encounter a challenge beyond your comfort level, seeking professional assistance is always a wise choice.

Q: How do I decipher the color-coded wires in the wiring diagrams?

  • A: Deciphering color-coded wires might seem daunting at first, but it's actually a straightforward process. Refer to the color key in the wiring diagrams to match each color with its corresponding function. Take it step by step, and soon you'll be adept at identifying which wire is responsible for specific circuits or components. It's a skill that becomes second nature with a bit of practice.

Q: Are there any safety considerations when working with the wiring diagrams?

  • A: Safety is paramount. Before diving into any work based on the wiring diagrams, ensure the ATV is powered off and the battery is disconnected. Familiarize yourself with the safety guidelines provided in the user manual. If you're ever uncertain about a procedure or encounter something unexpected, don't hesitate to reach out for guidance. Safety first!

Q: Can the wiring diagrams help me customize my Polaris Outlaw 525?

  • A: Absolutely! The wiring diagrams provide a solid foundation for customization. Whether you're adding accessories, upgrading lighting, or installing new components, the diagrams guide you through the integration process. Use them as a roadmap to ensure seamless customization while maintaining the integrity of your ATV's electrical system.

Keywords : '06 POLARIS OUTLAW 525 WIRING DIAGRAMS'

0 comments